Кольцевой кабельный наконечник RNBS 5,5-6 (НК d=6,4мм) 4-6мм2, неизолированный, 100 шт, NETKO Optima
|
|
Войти в B2B-кабинет Для юр лиц Оптовые цены Персональные скидки Заказы 24/7 |
|
Лидеры рынка уже 25 лет покупают оптом у нас:
Пишите на info@tdf.ru - договоримся!
|
Для проводов сечением: 4 - 6 мм²
Предназначен для создания качественного подключения электрооборудования, которое осуществляется через контактное соединение на основе винтовой фиксации. Такая клемма используется для оконцовывания многожильных медных проводов при монтаже мобильных электрических контактных соединений на подвижном составе (автомобиле-, вагоно-, самолето- и судостроении) или в других местах, где важна надежность соединения (к примеру, телефонное или климатическое оборудование). Изолированный кольцевой наконечник состоит из двух компонентов: металлического коннектора и защитного изолятора. Металлический коннектор изготовлен из латуни, с поверхностным электролитическим лужением, а изолятор клеммы из поливинилхлорида (ПВХ), который надежно защищает место обжима кабеля.
Применение изолированных кольцевых наконечников дает возможность существенно ускорять электромонтажные работы, при этом появляется возможность многократного отсоединения и присоединения проводов.
Аббревиатура :
-изолированные: НКИ
-неизолированные: НК
В названии буквой «d» обозначается рабочий размер кольцевого отверстия. Также в названии указано сечение проводника, для которого подойдет тот или иной наконечник.
В ассортименте представлены кольцевые наконечники для кабеля диаметром от 3,2мм до 10,5мм
Сечение проводника от 0,5мм2 до 6мм2

Диапазон температур: -55? to +125?
Сила тока: max=48A
|
|
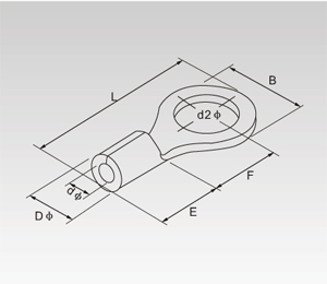
Размеры, мм |
|
|
||||
|
d2O |
B |
L |
F |
E |
D O |
dO |
|
|
RNBS 5,5-6 |
6.4 |
12.0 |
23.35 |
10.7 |
6.8 |
5.6 |
3.4 |
БЕСПЛАТНАЯ ДОСТАВКА от 20 000 руб. подробнее
Доставка по России ЛЮБОЙ ТК по вашему выбору. Скидки для клиентов ТДФ при отправке Деловыми линиями и Байкал Сервис.
Самовывоз со склада в СПб.
Оплата производится только по безналичному расчету. Оплата принимается только в рублях.
Работаем с НДС 22%

























































































































































Цены опт


Ваша оптовая цена может стать ниже: 
